![]() |
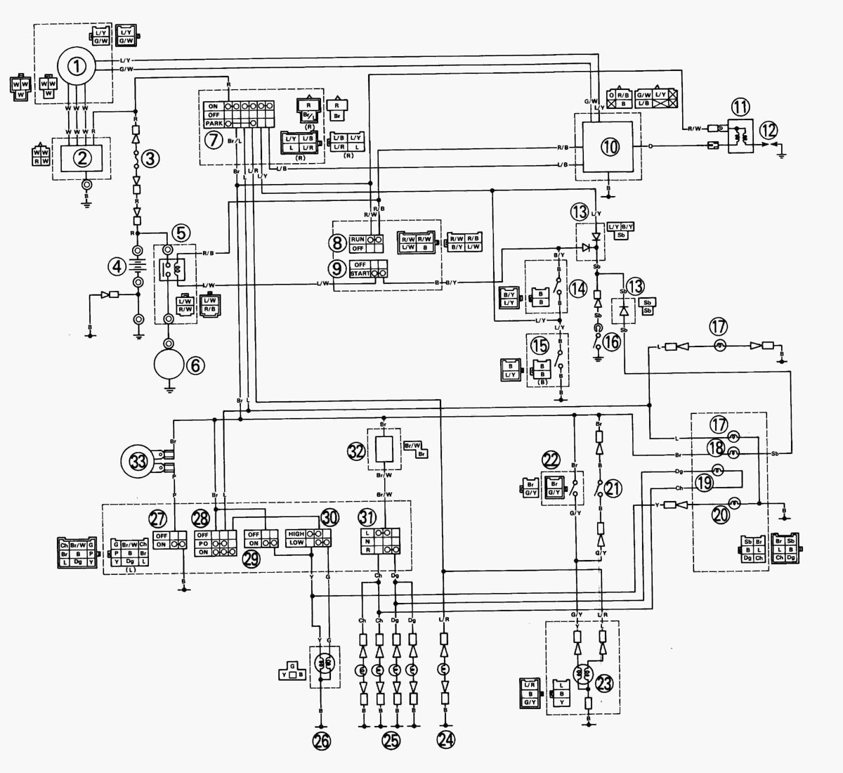
XT-Werkstatt Schaltpläne |
![]() |
![]() |
![]() |
![]() |
![]() |
![]() |
![]() |
![]() |
![]() |
![]() |
Schaltpläne zum Downloaden | |||
Modell | Typ | Baujahr | Download (rechte Maustaste, Ziel speichern unter) |
XT 600 E | 3TB/3UW | 1990 - 1995 | |
XT 600 K | 3TB/3UW | 1991 - 1994 | Komplett |
XT 600 E | DJ02/4PT | 1998 | |
~ | ~ | ~ | ~ |
XT 600 | 2KF | 1987-1989 | Komplett |
~ | ~ | ~ | ~ |
XT 600 Z | 34L/55W | 1983 - 1985 | Komplett |
XT 600 Z | 1VJ | 1986 - 1987 (mit Seitenständerschalter) | Komplett |
XT 600 Z | 3AJ | 1988 - 1990 (ohne Seitenständerschalter) | Komplett |
XT 600 Z | 3AJ | 1988 - 1990 (mit Seitenständerschalter) | Komplett |
~ | ~ | ~ | ~ |
XT 600 K | 43F | 1984 - 1986 | Komplett |
~ | ~ | ~ | ~ |
Noch
nicht aufgeführte Schaltpläne werden gerne angenommen.
Möglichst groß einscannen (mind. 1200 breit) und in BMP oder guter JPG- bzw. Gif-Qualität per Mail an Info(@)xt600.de |
von Michael Fuchs |